Askoma Einschraubheizkörper AHR-B-S
Askoma Einschraubheizkörper AHR-B-S
Askoma Einschraubheizkörper werden zur Erwärmung von
Brauch- und Heizungswasser eingesetzt.
In Verbindung mit Photovoltaikanlagen ist der Betrieb mit Leistungsstellern
bis zu einer Leistung von 3 kW möglich.
Zur Erwärmung von Brauch- und Heizungswasser
- Bauaustrocknung, wenn Wärmeerzeuger noch nicht in Betrieb
- Notheizung bei Störung des Wärmeerzeugers
- Zusatzheizung für Luft/Wasser-Wärmepumpen
- Zusatzheizung für Solaranlagen
- da die Heizschlaufen aus Cronifer 1.4529 einem Edelstahl der Klasse V4A hergestellt sind, sind die Heizstäbe auch für den Einsatz in Edelstahlspeichern geeignet
Technische Ausstattung:
- Elektromechanischer Temperaturregler nach EN 14597
- Elektromechanischer Temperaturbegrenzer nach EN 14597
- Einstellbereich: AUS...Frostschutz...28°C...85°C
- Betriebslampe
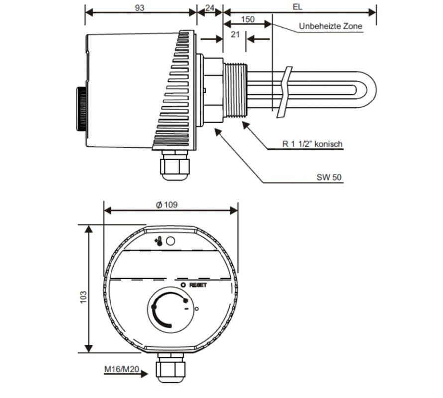
- Unbeheizte Zone: 150 mm
Technische Daten:
Anschlussgewinde: R 1 ½ "
Material: Cronifer 1.4529, Ø 8,2 mm
Oberflächenbelastung: 8 - 9 W/cm2
Elektrischer Anschluss: Schraubklemmen
Betriebsdruck: max. 10 bar
Gehäuse: Polycarbonat
Schutzart: IP41 nach EN 60529

Montagehinweis:
Der Einbau muß waagrecht erfolgen.
Die Rohrheizkörper müssen völlig mit Flüssigkeit bedeckt sein.
Der Flüssigkeitsumlauf durch die Heizkörper darf nicht behindert werden.
Bei Einsatz in kalkhaltigem Wasser müssen verkalkungsmindernde
Maßnahmen, bzw. die Entkalkung der Heizwendel (erstmals nach
3 Monaten, danach in regelmäßigen Intervallen) durchgeführt werden.
Kalk kann zur Auslösung des Sicherheitsbegrenzers, zur thermischen
Zerstörung bzw. zu Lochfraßkorrosion der Heizwendel führen!
Einbaulänge beachten!
Montageanleitung Askoheat-S
hier kaufen
